- Бренд:
- Модель:Renault Logan 2 MCV (2017-2020) 1.0 12V
- Артикул:121119823R
- 10000
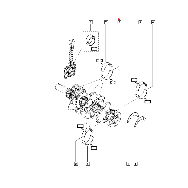
Вкладиш шатуний 1.0 12V B4D Renault Logan 2 MCV (2017-2020) Оригінал 121119823R від оригінального виробника Renault, виготовлений з високоякісного металу. Підходить на автомобілі з бензиновими двигунами 1.0 12V тип двигуна B4D. Застосовується для автомобілів Renault Logan 2 (2017-...), Renault Logan 2 MCV (2017-2020), Renault Sandero 2 (2017-...) року випуску. Оригінальний номер: 121119823R.






